Konka Tv Circuit Diagram
Konka crt schematics magnify Circuit konka tv failure 60p movement projection protection rear seekic diagram shown Konka k2008um service manual download, schematics, eeprom, repair info
Download Onida Tv Circuit Diagram Pdf - Pathway
Konka schematic Electro help: konka led lcd tv 32f3000c supra stv lcs26740 Master electronics repair !: kp29tk207 – konka 29 inch crt tv – circuit
Inverter konka schematic supra stv backlight
Konka tv goes upscale with quantum-dot tvs at ces 2021Tv circuit onida pdf diagram Smps konka electro chromaDownload onida tv circuit diagram pdf.
Maitec audio y video: diagram tv konka k1369uElectro help: konka led lcd tv 32hs05 Lcd crt interconnect konka toshiba v3Konka tv-k2966 tv-k3466tx schematic service manual download, schematics.
Konka 1st preview
Konka lcd schematic inverter backlight supra stv schematics electroElectro help: kp29tk207 – konka 29 inch crt tv – circuit diagram – str Konka maitecSchematic diagram tv lv konka circuit schematics zoom click crt.
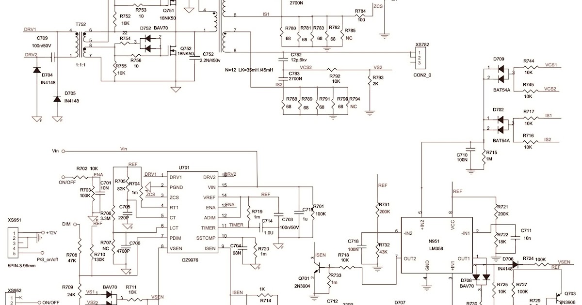
Konka tv circuit diagramSchematic diagrams: konka kip-l090e02c1-01 psu lcd tv power supply Smps konka pwbElectro help: konka led lcd tv 32f3000c supra stv lcs26740.

Konka 60p movement rear projection tv failure protection circuit
[download 23+] circuit diagram sharp tv schematic diagram free downloadFull schematic { click on schematics to zoom in } Konka tv 2021 upscale tvs ces quantum dot goes.
.








![[Download 23+] Circuit Diagram Sharp Tv Schematic Diagram Free Download](https://i2.wp.com/lcdrepairguide.com/V3/images/LG 47LE8500 LED TV Interconnect Diagram.jpg)
